- This is emergency stop switch by pulling wire rope when user need to stop belt conveyor.
Howtouse
- When pulling wire rope, it stops as not only switch’s lever tilts, red flag soars 90˚.
- In order to return normal state, please push the red flag down.
Cautions
- It can be malfunction in case that wire rope is excessively tight.
- Be careful not to pinch your finger in lever.
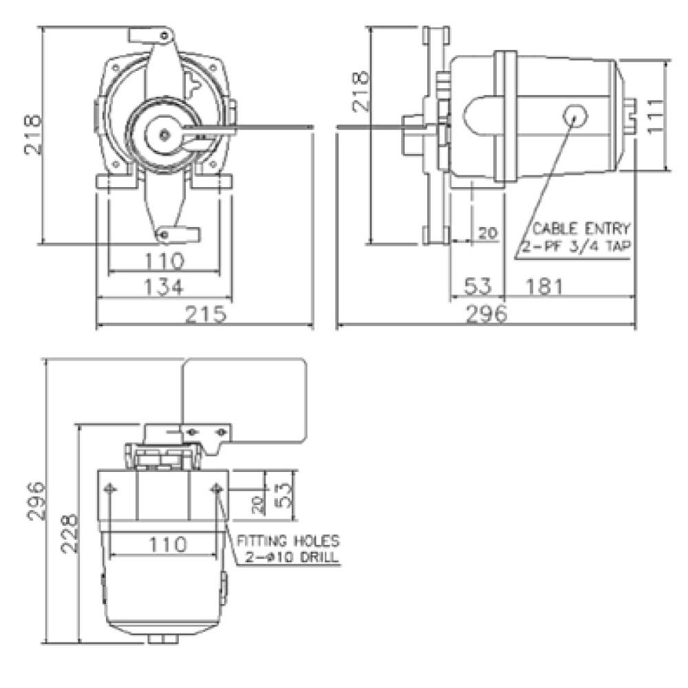
- The standard of inlet and outlet is PF3/4". Explosive cable grand (IP66 or higher) shall be used.
Be careful not to seal the inlet and outlet, as this may cause water resistance.
- When disassembling and reassembling the cover for a wiring connection,
tighten the bolts on each part as much as possible to maintain tightness.
- Do not arbitrarily dismantle the fastening bolts on the body. If there is a problem with the product and the bolt needs to be dismantled,
be careful not to dislodge the O-ring when re-engaging, and tighten the bolts as much as possible to maintain confidentiality.
- Installation that differs from electrical specifications can cause problems with the product. Use product as suitable specifications.
The Hong-Sung Precision Co., Ltd.
has grown up through consistent management innovation and technology development since the establishment in 1979.
is a pioneer that lead the precision machinery processing industry.
have the experience and technical capability accumulated to date for the last 40 years.
The Hong-Sung Precision Co., Ltd. are pursuing the business expansion
in the fields of
compact service robot driving components
unmanned aerial vehicle
heavy duty hydraulic products
as new growth engine, taking off to an integrated solution provider
creating the highest added value in technology
beyond being a standalone machinery processing component manufacturer.
Business Field
Manufacturing Industry
Machinery Processing Industry
Robot Industry
Main Product
Belt Conveyor Switch
Limit Switch
Full Detector
Solenoid Valve
Electro Hydrostatic Actuator
Hydraulic Valve & Components